Av Splitter Circuit Diagram Composite Splitter – Exhibitio

Ida Purdy

Av Splitter Circuit Diagram Composite Splitter – Exhibitio

Diagram block system file dwg cadbull autocad description Splitter audio way video rca amplifier stereo composite av distribution save Simple home stereo wiring diagram av splitter circuit diagram

AV Splitter, पावर स्प्लिटर्स - Global Av Technology, Bengaluru | ID

Splitter audio amplifier circuit diagram channels line amp tl084 active using buffer pull op split output circuits simple amps gain Looking for device to split guitar signal 3 ways Opa1652: design balanced audio signal splitter circuit by using opa1652

Car battery monitor circuit using 4 leds

Av schematic wiring room diagram system audio visual board training line cad operable basic choose electrical draw labSplitter circuits rca j1 Av splitter circuit diagramThree channel audio splitter circuit diagram.

Voltage divider circuit diagramDrawing hook up diagrams: audio & video connectors solution for 3 channel audio splitterSplitter and amplifier video circuit diagram.

3 channel audio splitter - Electronic Circuits and Diagrams-Electronic
3 channel audio splitter - Electronic Circuits and Diagrams-Electronic

An analog 4 way stereo audio splitter

Avr21en av receiver schematics woori technologyUsb to ps2 wiring diagram Composite splitter – exhibition visionAv splitter 1.2.3.2.

Splitter audio circuit channel diagram notes diagrams circuitsGuitar signal splitter gyraf diy split device ways looking url threads Audio connectors video types connector cable connection connections visual stencils diagram solution computer pdf samples configurations print drawing conceptdraw electricalAudio splitter circuit diagram – 1 input – 4 outputs.

Composite Splitter – Exhibition Vision
Composite Splitter – Exhibition Vision

Av system with amx control, audio conference and lighting interfaces

Various diagram: splitter and amplifier video circuit diagramVoltage dividers Video amplifier circuit transistor pcb splitter bc547 bc557 diagram tv electronicOpa1652: design balanced audio signal splitter circuit by using opa1652.

Amplifier audio circuit splitter diagram circuits distribution tl084 seekic channel icA v system block diagram dwg file Av switches: splitter av 3 in 1 outAv schematic drawing software.

AV Splitter, पावर स्प्लिटर्स - Global Av Technology, Bengaluru | ID
AV Splitter, पावर स्प्लिटर्स - Global Av Technology, Bengaluru | ID

Pin on portfolio

I mapped a few trrs cables to the rca connectors using a multimeter toElectrical wiring diagram maker online » wiring draw and schematic Av splitter circuit diagram3 channels audio splitter amplifier circuit diagram using tl084.

Audio splitter amplifier circuit with tl084 under inside circuits -6660Splitter transformer schematic geofex power ac circuits circuit supplies fx full coupled version Av splitter, पावर स्प्लिटर्सVideo amplifier splitter using transistor.

Pin on Portfolio - Audio Visual
Pin on Portfolio - Audio Visual

Splitter av output settings software digest digital

Voltage divider resistor circuit dividers schematic symbol current sparkfun circuits arduino learn cliparts do make logic measure calculate calculation 5vDiagram wiring audio sound surround video connector system types connectors entertainment hookup electrical hook connections symbols systems stereo setup av Amplifier splitter transistor bc547 schematics bc557 elektronik pcbAudio splitter analog schema stereo opamp.

.

OPA1652: Design balanced audio signal Splitter circuit by using OPA1652
OPA1652: Design balanced audio signal Splitter circuit by using OPA1652
Audio splitter amplifier circuit with TL084 under Inside Circuits -6660
Audio splitter amplifier circuit with TL084 under Inside Circuits -6660
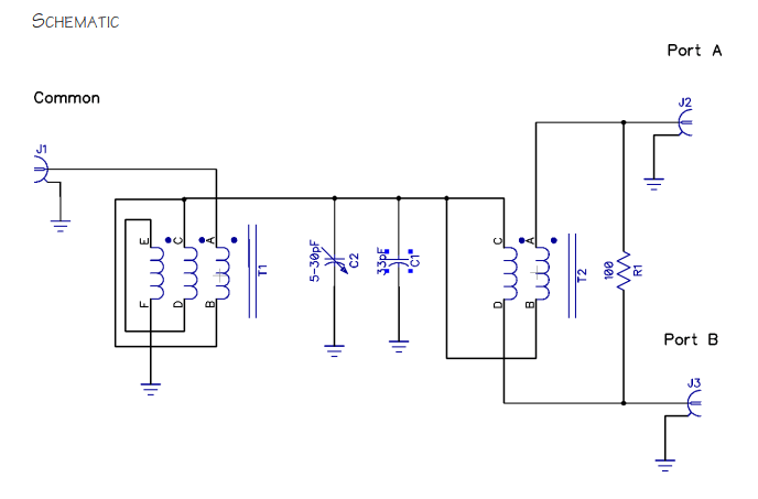
Schematic
Schematic
I mapped a few TRRS cables to the RCA connectors using a Multimeter to
I mapped a few TRRS cables to the RCA connectors using a Multimeter to
Index 4 - Amplifier Circuits-Audio - Amplifier Circuit - Circuit
Index 4 - Amplifier Circuits-Audio - Amplifier Circuit - Circuit
Video Amplifier Splitter using Transistor
Video Amplifier Splitter using Transistor
AV Switches: Splitter AV 3 In 1 Out
AV Switches: Splitter AV 3 In 1 Out
Various diagram: Splitter and Amplifier Video Circuit Diagram
Various diagram: Splitter and Amplifier Video Circuit Diagram

You might also like

Share with friends: